Product Summary
The XC3S1200E-4FTG256C is a member of Spartan-3E family. The XC3S1200E-4FTG256C is a kind of Field-Programmable Gate Array (FPGA) which is specifically designed to meet the needs of high volume, cost-sensitive consumer electronic applications. The XC3S1200E-4FTG256C offers densities ranging from 100,000 to 1.6 million system gates. The device builds on the success of the earlier Spartan-3 family by increasing the amount of logic per I/O, significantly reducing the cost per logic cell. New features improve system performance and reduce the cost of configuration. The XC3S1200E-4FTG256C enhancements, combined with advanced 90 nm process technology, deliver more functionality and bandwidth per dollar than was previously possible, setting new standards in the programmable logic industry.
Parametrics
XC3S1200E-4FTG256C absolute maximum ratings: (1)VCCINT, Internal supply voltage: –0.5 to 1.32 V; (2)VCCAUX, Auxiliary supply voltage: –0.5 to 3.00 V; (3)VCCO, Output driver supply voltage: –0.5 to 3.75 V; (4)VREF, Input reference voltage: –0.5 to VCCO+0.5(1) V; (5)IIK, Input clamp current per I/O pin,–0.5 V < VIN < (VCCO + 0.5 V): ±100 mA; (6)VESD, Electrostatic Discharge Voltage: Human body model: ±2000 V; (7)Charged device model: ±500 V; Machine model: ±200 V; (8)TJ, Junction temperature: – 125℃; (9)TSTG, Storage temperature: –65 to 150℃.
Features
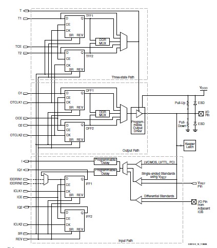
XC3S1200E-4FTG256C features: (1)Very low cost, high-performance logic solution for high-volume, consumer-oriented applications; (2)Proven advanced 90-nanometer process technology; (3)Multi-voltage, multi-standard SelectIOinterface pins ; (4)Abundant, flexible logic resources; (5)Hierarchical SelectRAMmemory architecture; (6)Up to eight Digital Clock Managers (DCMs); (7)Eight global clocks plus eight additional clocks per each half of device, plus abundant low-skew routing; (8)Configuration interface to industry-standard PROMs; (9)Complete Xilinx ISEand WebPACKsoftware; (10)MicroBlazeand PicoBlazeembedded processor cores; (11)Fully compliant 32-/64-bit 33 MHz PCI support (66MHz in some devices); (12)Low-cost QFP and BGA packaging options; (13)Complete Xilinx ISEand WebPACKsoftware; (14)MicroBlazeand PicoBlazeembedded processor cores; (15)Fully compliant 32-/64-bit 33 MHz PCI support (66MHz in some devices); (16)Low-cost QFP and BGA packaging options.
Diagrams

| Image | Part No | Mfg | Description | ![]() |
Pricing (USD) |
Quantity | ||||||||||
|---|---|---|---|---|---|---|---|---|---|---|---|---|---|---|---|---|
![]() |
![]() XC3S1200E-4FTG256C |
![]() |
![]() IC SPARTAN3E FPGA 1200K 256FTBGA |
![]() Data Sheet |
![]()
|
|
||||||||||
| Image | Part No | Mfg | Description | ![]() |
Pricing (USD) |
Quantity | ||||||||||
![]() |
![]() XC3S1000 |
![]() Other |
![]() |
![]() Data Sheet |
![]() Negotiable |
|
||||||||||
![]() |
![]() XC3S1000-4FG456I |
![]() |
![]() IC FPGA SPARTAN 3 456FBGA |
![]() Data Sheet |
![]()
|
|
||||||||||
![]() |
![]() XC3S1000-4FG676I |
![]() |
![]() IC FPGA SPARTAN 3 676FBGA |
![]() Data Sheet |
![]()
|
|
||||||||||
![]() |
![]() XC3S1000-4FGG320C |
![]() |
![]() SPARTAN-3A FPGA 1M STD 320-FBGA |
![]() Data Sheet |
![]()
|
|
||||||||||
![]() |
![]() XC3S1000-4FGG320I |
![]() |
![]() IC SPARTAN-3A FPGA 1M 320-FBGA |
![]() Data Sheet |
![]()
|
|
||||||||||
![]() |
![]() XC3S1000-4FGG456C |
![]() |
![]() IC SPARTAN-3 FPGA 1M 456-FBGA |
![]() Data Sheet |
![]()
|
|
||||||||||
(China (Mainland))










