Product Summary
The XC3S1000-4FTG256C is an FPGA which builds on the success of the earlier Spartan-IIE family by increasing the amount of logic resources, the capacity of internal RAM, the total number of I/Os, and the overall level of performance as well as by improving clock management functions. Numerous enhancements derive from state-of-the-art Virtex-II technology. The XC3S1000-4FTG256C is combined with advanced process technology, deliver more functionality and bandwidth per dollar than was previously possible, setting new standards in the programmable logic industry. Because of their exceptionally low cost, XC3S1000-4FTG256C is ideally suited to a wide range of consumer electronics applications, including broadband access, home networking, display/projection and digital television equipment.
Parametrics
XC3S1000-4FTG256C absolute maximum ratings: (1)VCCINT Internal supply voltage relative to GND: min=-0.5V, max=1.32V; (2)VCCAUX Auxiliary supply voltage relative to GND: min=0.5V, max=3.00V; (3)VCCO Output driver supply voltage relative to GND: min=-0.5V, max=3.75V; (4)VREF Input reference voltage relative to GND: min=-0.5V, max=VCCO+0.5(3)V; (5)On the condition of Driver in a high-impedance state, VIN(2) Voltage applied to all User I/O pins and Dual-Purpose pins relative to GND: min=-0.5V, max=VCCO+0.5(3)V; Voltage applied to all Dedicated pins relative to GND: min=-0.5V, max=VCCAUX+0.5(4)V.
Features
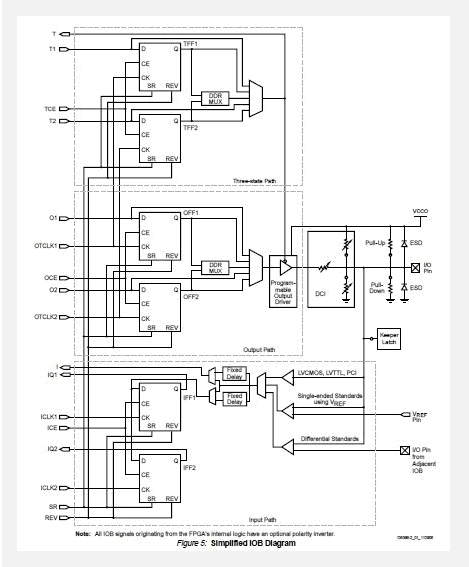
XC3S1000-4FTG256C features: (1)Low-cost, high-performance logic solution for high-volume; (2)consumer-oriented applications; (3)SelectIO signaling; (4)Logic resourcess; (5)SelectRAM hierarchical memory; (6)Digital Clock Manager (up to four DCMs); (7)Digital Clock Manager (up to four DCMs).
Diagrams

| Image | Part No | Mfg | Description | ![]() |
Pricing (USD) |
Quantity | ||||||||||
|---|---|---|---|---|---|---|---|---|---|---|---|---|---|---|---|---|
![]() |
![]() XC3S1000-4FTG256C |
![]() |
![]() IC SPARTAN-3 FPGA 1M 256-FTBGA |
![]() Data Sheet |
![]()
|
|
||||||||||
| Image | Part No | Mfg | Description | ![]() |
Pricing (USD) |
Quantity | ||||||||||
![]() |
![]() XC3S1000 |
![]() Other |
![]() |
![]() Data Sheet |
![]() Negotiable |
|
||||||||||
![]() |
![]() XC3S1000-4FG456I |
![]() |
![]() IC FPGA SPARTAN 3 456FBGA |
![]() Data Sheet |
![]()
|
|
||||||||||
![]() |
![]() XC3S1000-4FG676I |
![]() |
![]() IC FPGA SPARTAN 3 676FBGA |
![]() Data Sheet |
![]()
|
|
||||||||||
![]() |
![]() XC3S1000-4FGG320C |
![]() |
![]() SPARTAN-3A FPGA 1M STD 320-FBGA |
![]() Data Sheet |
![]()
|
|
||||||||||
![]() |
![]() XC3S1000-4FGG320I |
![]() |
![]() IC SPARTAN-3A FPGA 1M 320-FBGA |
![]() Data Sheet |
![]()
|
|
||||||||||
![]() |
![]() XC3S1000-4FGG456C |
![]() |
![]() IC SPARTAN-3 FPGA 1M 456-FBGA |
![]() Data Sheet |
![]()
|
|
||||||||||
(China (Mainland))










